Miele PDR 544 ROP [G] - Istruzioni
Miele PDR 544 ROP [G] - Manuale d'uso, Manuale, Manuale di installazione, Guida rapida in formato PDF online
Istruzioni:
Manuale d'uso Miele PDR 544 ROP [G]
Manuale Miele PDR 544 ROP [G]
Sommario
Il Vostro contributo alla tutela dell'ambiente 2 Smaltimento dell'imballaggio L'imballaggio impedisce che l'essiccatoio subisca dei danni durante iltrasporto. I materiali utilizzati per l'imballaggio sono riciclabili, per cuiselezionati secondo criteri di rispetto dell'ambiente e di facilità dismalt...
Indice 3 Il Vostro contributo alla tutela dell'ambiente ................................................................ 2 Istruzioni per la sicurezza e avvertenze ....................................................................... 5 Uso corretto ....................................................
Istruzioni per la sicurezza e avvertenze 5 Leggere assolutamente le presenti istruzioni d'uso. L'essiccatoio è conforme alle vigenti norme di sicurezza. Un uso improprio può comun-que causare danni a persone e/o cose. Prima di mettere in funzione l'apparecchio leggere attentamente queste istruzion...
Istruzioni per la sicurezza e avvertenze 6 Sorvegliare i bambini che si trovano nelle immediate vicinanze dell'essiccatoio. Non per- mettere loro di giocarci. Questo essiccatoio può funzionare anche in ambienti pubblici. Altri impieghi diversi da quelli precedentemente indicati non rispettano ...
Istruzioni per la sicurezza e avvertenze 7 Pericolo di incendio a causa di presa controllabile. Non mettere in funzione l'essiccatoio se collegato a una presa multipla azionabile (ad es. tramite orologio programmatore). Se lafase di raffreddamento dell'essiccatoio si interrompe, sussiste pericolo ...
Istruzioni per la sicurezza e avvertenze 8 Si può evitare una depressione nell'ambiente di installazione se mediante le seguenti misu-re si garantisce una sufficiente aerazione dell'ambiente (esempi): - applicare delle aperture di aerazione chiudibili nella parete esterna. - Utilizzare interruttori ...
Istruzioni per la sicurezza e avvertenze 9 - Non effettuare nessuna azione che possa generare scintille (come per esempio estrarre una spina da una presa oppure premere interruttori o campanelli elettrici). - Se non si trova la causa dell'odore del gas, nonostante tutte le rubinetterie siano chiuse,...
Istruzioni per la sicurezza e avvertenze 10 Accessori Gli unici accessori che possono essere montati o utilizzati sono quelli espressamente autorizzati da Miele. Se si montano o utilizzano altri accessori, il diritto alla garanzia e aprestazioni in garanzia per vizi e/o difetti del prodotto decade...
Descrizione macchina 11 ① ② ④ ⑤ ⑥ ⑨ ⑩ ⑦ ③ ⑧ a Pannello comandi con selettore b Sportello c Sportellino del filtro impurità d 4 piedini regolabili in altezza e Allacciamento elettrico f Vano modulo di comunicazione g Aperture di aspirazione per l'aria di asciugatura h Bocchettone di sfiato i Allaccia...
Come si usa l'essiccatoio 12 Macchine con comando a umidità residua (ROP) 1 2 3 4 5 6 7 8 9 a Pannello comandi b Tasti sensore per livelli di asciugatura c Indicazioni di stato Si accendono in caso di necessità d Tasto sensore Attiva il funzionamento intervallato della ventola per l'asciuga...
Come si usa l'essiccatoio 13 Livelli di asciuga-tura - Tasto sensore = „Pronto asciut+“ - Tasto sensore = „Pronto asciutto“ - Tasto sensore = „Asciutto stiro a mano“ - Tasto sensore = „Asciutto stiro a macchina“ - Tasto sensore : Funzione "Piumoni" Programmi diasciugatura - Po...
Come si usa l'essiccatoio 15 Livelli di asciuga-tura (TOP) - Tasto sensore = Livello temperatura "alto" - Tasto sensore = Livello temperatura "medio" - Tasto sensore = Livello temperatura "basso" - Tasto sensore = Livello temperatura "freddo" Programmi a t...
Come si usa l'essiccatoio 17 Programmi diasciugatura - Area posizione = Livello temperatura freddo Per arieggiare i capi - Area posizione = Livello temperatura "basso" Per asciugare capi delicati in seta artificiale o fibre sintetiche - Area posizione = Livello temperatura "medi...
Come si usa l'essiccatoio 18 Funzionamento del pannello comandi I tasti sensore reagiscono allo sfioramento con le punta delle dita. Laselezione è possibile finché il tasto sensore interessato è illuminato. Un tasto sensore acceso con luce chiara significa: selezionato Un tasto sensore con luce dimm...
Prima messa in servizio 19 Danni a persone e cose a causa di un posizionamento non cor- retto.Il posizionamento non corretto dell'essiccatoio può causare danni apersone o cose.Prima della messa in servizio posizionare l'essiccatoio corretta-mente.Allacciarlo a regola d'arte.Attenersi al capitolo &...
Asciugatura 20 1. Cura della biancheria Lavaggio primadell'asciugatura Lavare accuratamente i capi particolarmente sporchi. Utilizzare unaquantità sufficiente di detersivo e selezionare una temperatura eleva-ta. In caso di dubbi, lavarli più volte. Se per il lavaggio della biancheria sono stati util...
Asciugatura 21 Introdurre la bian-cheria Danneggiamento dei capi a causa di un trattamento errato. Se non si osserva la corretta cura dei capi, questi psosono dan-neggiarsi durante l'asciugatura.Prima di introdurre la biancheria, leggere il capitolo “1. Cura dellabiancheria". Aprire lo sport...
Asciugatura 23 Il posticipo dell'avvio continua a scorrere. Annullare/cancella-re il posticipo Ruotare il selettore programmi sulla posizione selettore programmi . In alternativa è possibile anche interrompere il posticipo dell'av- vio aprendo lo sportello. Svolgimento delposticipo avviato - Il ...
Asciugatura 24 5. Prelevare la biancheria dall'essiccatoio Fine programma L'essiccatoio può essere impostato in modo che alla fine del pro-gramma suoni un segnale acustico. Al termine del programma (sul display tempo compare ) la bian- cheria si è raffreddata e può essere prelevata. Se è stata ...
Modificare il programma 25 Cambiare il programma in corso Non è più possibile cambiare il programma in corso (protezione con-tro interventi indesiderati). Per selezionare un nuovo programma sidovrà prima interrompere quello in corso. Pericolo di incendio a causa di un utilizzo errato. La biancheri...
Modificare il programma 26 Chiudere lo sportello. Toccare il tasto sensore Start/Stop , affinché il posticipo dell'avvio continui a scorrere. Durata residua Delle modifiche al programma possono causare dei salti di tempo suldisplay.
Livello gestore (modalità di programmazione) 27 Presupposti per l'accesso: - L'apparecchio è acceso. - Lo sportello dell'apparecchio è aperto. Accedere al livello gestore Toccare e tenere premuto il tasto sensore Start/Stop e chiudere lo sportello. Il tasto sensore Start/Stop lampeggia rapidamen...
Livello gestore (modalità di programmazione) 33 Valore di regolazione sul display Temperatura 90 °C/194 °F 95 °C/203 °F 100 °C/212 °F 105 °C/221 °F 110 °C/230 °F 115 °C/239 °F 120 °C/248 °F 125 °C/257 °F 130 °C/266 °F 135 °C/275 °F 140 °C/284 °F 145 °C/293 °F 1...
Livello gestore (modalità di programmazione) 34 Valore di regolazione sul display Temperatura 57 °C/135 °F 58 °C/136 °F 59 °C/138 °F 60 °C/140 °F 61 °C/142 °F 62 °C/144 °F 63 °C/145 °F 64 °C/147 °F 65 °C/149 °F 66 °C/151 °F 67 °C/153 °F 68 °C/154 °F 69 °C/156 °...
Livello gestore (modalità di programmazione) 36 Tempi di pausa Valore di regolazione sul display Secondi 2 s 3 s 4 s 5 s 6 s 7 s 8 s 9 s 10 s 11 s 12 s 13 s 14 s 15 s Uscire dalla modalità di programmazione Per uscire dalla modalità di programmazione, ruot...
Pulizia e manutenzione 37 Pulire il filtro impurità Pericolo di incendio a causa del funzionamento dell'essiccatoio senza filtro impurità.I circuiti dell'aria, il riscaldamento e il condotto di sfiato possonoostruirsi e incendiarsi nel corso del funzionamento dell'essiccatoiosenza filtro impurità....
Pulizia e manutenzione 38 Pulire il tamburo e le parti esterne dell'involucro Pericolo di morte a causa di scossa elettrica. Un essiccatoio non separato completamente dall'alimentazione ditensione non può essere pulito o manutenzionato.Spegnere l'essiccatoio tramite l'interruttore principale predi...
Guasti, cosa fare... 39 Guida guasti Segnalazione Causa e rimedio Il display resta scuro. L'essiccatoio non è allacciato alla corrente elettrica. Controllare la spina, l'interruttore principale e i fusibili(predisposti dal committente). Problema Causa e rimedio La condensa è fuoriuscitain un punto...
Guasti, cosa fare... 40 Problema Causa e rimedio Pulire l'area di guida aria. La copertura nell'area di carico può essere rimossa perpulire l'area di guida aria sottostante. Il condotto di sfiato o la sua imboccatura sono ostruiti p.es.da capelli o lanugine. Controllare e pulire tutti i compon...
Assistenza tecnica 41 Contatti in caso di guasto In caso di guasti che non si è in grado di risolvere da soli, contattare il negozio specializza-to Miele o il servizio di assistenza tecnica Miele. Il numero di telefono dell'assistenza tecnica Miele si trova in fondo alle presenti istruzioni. Indicar...
Installazione 42 Requisiti per l'installazione Danni a persone e cose a causa di un posizionamento non corretto. Il posizionamento non corretto dell'essiccatoio può causare danni a persone o cose. L'essiccatoio può essere installato e messo in servizio per la prima volta solo dall'assi-stenza tecn...
Installazione 44 Regolando i piedini, registrare la macchina in posizione perfettamente orizzontale (in bol-la). Servirsi all'occorrenza di una livella a bolla. Stringere i dadi dei piedini con una chiave sulla lamiera di base dopo averli regolati. Fissaggio Per una maggiore sicurezza di posiz...
Installazione 45 Se sulla targhetta dati sono riportati più valori di tensione, la macchina può essere modi- ficata sulla rispettiva tensione per l'allacciamento. La modifica deve essere effettuata solodal servizio di assistenza tecnica autorizzato Miele o da rivenditori qualificati. Per farlo, os...
Installazione 46 Allacciamento al gas (solo per versioni con riscaldamento a gas) L'allacciamento gas deve essere predisposto solo da un installatore autorizzato nel ri-spetto delle normative vigenti nel paese. A causa di una portata ridotta non è consentito l'utilizzo di una presa gas con la capaci...
Connessione in rete 47 Istruzioni per il pairing Con i seguenti passaggi è possibile collegare in rete l'essiccatoio. Aprire livello gestore Riaccendere la macchina, ruotando il selettore dalla posizione interruttore su un'altra posizione a piacere. Aprire lo sportello dell'essiccatoio. Tene...
Connessione in rete 48 Non appena viene stabilita la connessione, lampeggiano i punti nella parola . Proseguire infine con il Device Connector in Miele MOVE. Configurare il collegamento in rete tramite il cavo LAN Per un collegamento in rete via cavo, è necessario il modulo di comunicazione o...
Connessione in rete 49 Intensità del segnale WLAN Significato MDU * 76 - 100 % 3/3** Funzionamento generalmente affidabile 51 - 75 % 2/3 26 - 50 % 1/3 Funzionamento generalmente possibile 1 - 25 % 0/3 Funzionamento generalmente non affidabile 0 % Funzionamento impossibile * Viene visualizzato su...
Connessione in rete 53 WPS Wi-Fi Protected Setup Standard che permette di creare facilmente una connessione con una rete senza fili. Metodo standard: Push Button Setup Quando si attiva il WPS, l'interfaccia di collegamento rimane aperta per 2 min. Quando siattiva il WPS su un altro apparecchio, gli ...
Accessori su richiesta 54 Gli unici accessori che possono essere montati o utilizzati sono quelli espressamente autorizzati da Miele. Se si montano o utilizzano altri accessori, il diritto alla garanzia e aprestazioni in garanzia per vizi e/o difetti del prodotto decade. Box di comunicazione Media...
Accessori su richiesta 55 Questi dati dapprima non vengono associati a nessun utente specifico e nemmeno memo-rizzati in modo permanente. Solo quando si collega la macchina a un utente, i dati vengo-no salvati in modo permanente e associati in modo specifico. La trasmissione e l'elabora-zione dei da...
Dati tecnici 56 Dati tecnici PDR 514 PDR 518 PDR 522 PDR 528 PDR 544 Altezza 1400 mm 1400 mm 1400 mm 1640 mm 1640 mm Larghezza 906 mm 906 mm 906 mm 1206 mm 1206 mm Profondità 852 mm 1035 mm 1162 mm 1019 mm 1385 mm Profondità a sportello aperto 1456 mm 1639 mm 1768 mm 1623 mm 1989 mm Capacità tamburo...
Manuale di installazione Miele PDR 544 ROP [G]
Sommario
it - Istruzioni di installazione 38 Requisiti per l'installazione L'essiccatoio può essere installato e messo in servizio per la prima volta solo dall'assi-stenza tecnica Miele autorizzata o da personale qualificato. Installare la macchina secondo le norme vigenti. Utilizzare l'essiccatoio solo ...
it - Istruzioni di installazione 39 Allacciamento al gas (solo per versioni con riscaldamento a gas) L'allacciamento gas deve essere predisposto solo da un installatore autorizzato nel rispettodelle normative vigenti nel paese (v. istruzioni di installazione). A causa di una portata ridotta non è co...
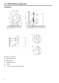
it - PDR 944/544, riscaldamento a gas 41 Installazione 875 325 64 G 520 305 1700 150 305 1700 ~ 50 2 x 179 125 200 EL AL ZL ZL EL AL 520 G G ZL EL AL AL ZL 161 160 "Z" "Y" "Y" "Z" XCI 96 31 ~350 42 125 Misure in mm EL Allacciamento elettrico G Allacciamento gas AL All...
it - PDR 944/544, riscaldamento a gas 42 Posizionamento (standard/zoccolo in cemento) 20 1640 Ø 10 1640 BS 545 B ~ 48 55 1279 ~ 55 >50 Ø 10 ~ 55 B 1800 55 1090 545 1286 1200 514 B B A A BS >1400 >55 BS >1200 514 1286 B B B B A - A B - B >55 1090 1800 ~ 48 BS >50 20 Misure in mm B F...
it - Dati tecnici 43 Varianti di tensione/dati elettrici Allacciamento standard Tensione di allacciamento 3N AC 400 V Frequenza 50 Hz Potenza assorbita 1,7 kW Protezione elettrica (a cura del committente) 3×10 A Sezione minima cavo di allacciamento 5×1,5 mm² Pressacavo M20 Allacciamento gas Potenza ...
it - Dati tecnici 44 Dati macchina Larghezza macchina fuori tutto 1.206 mm Altezza macchina fuori tutto 1.640 mm Profondità macchina fuori tutto 1.385 mm Larghezza nicchia 1.550 mm Distanza dal muro raccomandata (fino al bordo anteriore dellamacchina) 1.800 mm Distanza minima dalla parete (fino al b...
it - Dati tecnici 45 Opzioni/accessori Base in cemento (predisposta dal committente) Larghezza minima 1.200 mm Altezza raccomandata 100 mm Altezza minima 50 mm Profondità minima 1.400 mm I componenti in cemento e la relativa resistenza devono essere misurati in base al peso della macchina. La base d...
Guida rapida Miele PDR 544 ROP [G]
Sommario
it - Indice 62 Allacciamento vapore (solo per le versioni con riscaldamento a vapore) ............................. 87 Allacciamento all'acqua calda (solo per versioni con riscaldamento ad acqua calda) ....... 87 Allacciamento al gas (solo per versioni con riscaldamento a gas) .........................
it - Il Vostro contributo alla tutela dell'ambiente 63 Smaltimento dell'imballaggio L'imballaggio impedisce che l'essiccatoio subisca dei danni durante iltrasporto. I materiali utilizzati per l'imballaggio sono riciclabili, per cuiselezionati secondo criteri di rispetto dell'ambiente e di facilità d...
it - Istruzioni per la sicurezza e avvertenze 64 Leggere assolutamente le presenti istruzioni d'uso. Documentazione ampliata Questo documento contiene informazioni di base. Le istruzioni d'uso complete e altri docu-menti relativi al vostro apparecchio sono disponibili sulla pagina internet Miele:h...
it - Istruzioni per la sicurezza e avvertenze 65 Le persone che per le loro capacità fisiche, sensoriali o psichiche o per la loro inesperien- za o non conoscenza non siano in grado di utilizzare in sicurezza l'essiccatoio, non devonofarne uso senza la sorveglianza e la guida di una persona respon...
it - Istruzioni per la sicurezza e avvertenze 66 Pericolo di incendio a causa di presa controllabile. Non mettere in funzione l'essiccatoio se collegato a una presa multipla azionabile (ad es. tramite orologio programmatore). Se lafase di raffreddamento dell'essiccatoio si interrompe, sussiste per...
it - Istruzioni per la sicurezza e avvertenze 67 Garantire sempre l'accessibilità della presa onde poter staccare in qualsiasi momento l'essiccatoio dall'alimentazione di tensione. Il personale deve poter controllare da qualsiasipunto di accesso che la spina è ancora estratta. Qualora fosse prev...
it - Istruzioni per la sicurezza e avvertenze 68 Affinché non si verifichino guasti di funzionamento sull'essiccatoio: - Dopo ogni asciugatura pulire la superficie del filtro impurità.- Il filtro impurità e i circuiti dell'aria devono essere sempre puliti quando sul display com- pare la rispettiva...
it - Come si usa l'essiccatoio 69 Macchine con comando a umidità residua (ROP) 1 2 3 4 5 6 7 8 9 a Pannello comandi b Tasti sensore per livelli di asciugatura c Indicazioni di stato Si accendono in caso di necessità d Tasto sensore Attiva il funzionamento intervallato della ventola per l'as...
it - Come si usa l'essiccatoio 70 Programmi di asciugatura - Posizione = Programma " Cotone/Colorati " Per asciugare capi in cotone/lino - Posizione = Programma " Cotone/Colorati Delicato " Per asciugare capi delicati in cotone/lino - Posizione = Programma "Capi sinteti...
it - Come si usa l'essiccatoio 71 Macchine con comandi a tempo (TOP) 1 2 3 4 5 6 7 8 9 a Pannello comandi b Tasti sensore per livelli di asciugatura c Indicazioni di stato Si accendono in caso di necessità d Tasto sensore Attiva il funzionamento intervallato della ventola per l'asciugatura ...
it - Come si usa l'essiccatoio 75 Funzionamento del pannello comandi I tasti sensore reagiscono allo sfioramento con le punta delle dita. La selezione è possibilefinché il tasto sensore interessato è illuminato. Un tasto sensore acceso con luce chiara significa: selezionatoUn tasto sensore con luce ...
it - Asciugatura 76 1. Cura della biancheria Lavaggio primadell'asciugatura Lavare accuratamente i capi particolarmente sporchi. Utilizzare unaquantità sufficiente di detersivo e selezionare una temperatura eleva-ta. In caso di dubbi, lavarli più volte. Se per il lavaggio della biancheria sono stati...
it - Asciugatura 77 Introdurre la bian-cheria Danneggiamento dei capi a causa di un trattamento errato. Se non si osserva la corretta cura dei capi, questi psosono danneg-giarsi durante l'asciugatura.Prima di introdurre la biancheria, leggere il capitolo “1. Cura dellabiancheria". Aprire lo ...
it - Asciugatura 79 Annullare/cancella-re il posticipo Ruotare il selettore programmi sulla posizione selettore programmi . In alternativa è possibile anche interrompere il posticipo dell'av- vio aprendo lo sportello. Svolgimento delposticipo avviato - Il tempo che manca all'avvio scorre a ritro...
it - Pulizia e manutenzione 81 Pulire il filtro impurità Pericolo di incendio a causa del funzionamento dell'essiccatoio senza filtro impurità.I circuiti dell'aria, il riscaldamento e il condotto di sfiato possonoostruirsi e incendiarsi nel corso del funzionamento dell'essiccatoiosenza filtro impu...
it - Pulizia e manutenzione 82 Pericolo di danneggiamento a causa di detergenti contenenti solventi e prodotti abrasivi.Non usare solventi, prodotti abrasivi, per vetro o universali che po-trebbero danneggiare le superfici in materiale plastico o altri com-ponenti.Pulire l'essiccatoio solo con un ...
it - Assistenza tecnica 83 Accessori su richiesta Gli accessori di questo essiccatoio sono disponibili presso i rivenditori Miele o presso l'as-sistenza tecnica autorizzata Miele. Contatti in caso di guasto In caso di guasti che non si è in grado di risolvere da soli, contattare il negozio specializ...
it - Installazione 84 Requisiti per l'installazione Danni a persone e cose a causa di un posizionamento non corretto. Il posizionamento non corretto dell'essiccatoio può causare danni a persone o cose.L'essiccatoio può essere installato e messo in servizio per la prima volta solo dall'assi-stenza ...
it - Installazione 86 Stringere i dadi dei piedini con una chiave sulla lamiera di base dopo averli regolati. Fissaggio Per una maggiore sicurezza di posizionamento fissare l'essiccatoio con le griffe d'anco-raggio in dotazione tramite i piedini al pavimento. Il materiale di fissaggio è predispo...
it - Installazione 87 Valgono come dispositivi di separazione gli interruttori con un'apertura di contatto supe-riore ai 3 mm, quali interruttori LS, valvole e teleruttori (IEC/EN 60947). L'interruttore onnipolare (inclusa la presa a spina) deve essere assicurato contro l'accensio-ne indesiderata e ...
it - Dati tecnici 88 Dati tecnici PDR 514 PDR 518 PDR 522 PDR 528 PDR 544 Altezza 1400 mm 1400 mm 1400 mm 1640 mm 1640 mm Larghezza 906 mm 906 mm 906 mm 1206 mm 1206 mm Profondità 852 mm 1035 mm 1162 mm 1019 mm 1385 mm Profondità a sportello aperto 1456 mm 1639 mm 1768 mm 1623 mm 1989 mm Capacità ta...
Miele Istruzioni
-
Miele APWM 063
Manuale di installazione
-
Miele APWM 020
Manuale d'uso
-
Miele APWM 020
Manuale di installazione
-
Miele SC
Manuale di installazione
-
Miele PR
Manuale di installazione
-
Miele FP 900
Manuale di installazione
-
Miele RP 900
Manuale di installazione
-
Miele APWM 019
Manuale d'uso
-
Miele APWM 019
Manuale di installazione
-
Miele PR 900
Manuale di installazione
-
Miele A 830/1
Manuale d'uso
-
Miele TT 86
Manuale d'uso
-
Miele RP 1150
Manuale di installazione
-
Miele APCL 001
Manuale di installazione
-
Miele E 473/2
Manuale d'uso
-
Miele FFK 01
Manuale di installazione
-
Miele FFK 01
Manuale
-
Miele DS 5
Manuale di installazione
-
Miele DS 10
Manuale di installazione
-
Miele DOS K 85 flex
Manuale di installazione