Miele PWM 514 Mop Star [EL DV DD] - Istruzioni
Miele PWM 514 Mop Star [EL DV DD] - Manuale d'uso, Manuale, Manuale di installazione in formato PDF online
Istruzioni:
Manuale d'uso Miele PWM 514 Mop Star [EL DV DD]
Sommario
it - Offerta programmi delle varianti macchine 288 Gruppo dei programmi Nome programma Standard Mop Star Self service Pacchetti di programmi opzionali (acquistabili) Standard Cotone resistente • - • - Standard Cotone colorato • • - - Standard Cot. colorato intenso • - - - Standard ...
it - Elenco programmi 291 Opzioni selezionabili Opzione Simbolo Descrizione Prerisciacquo Prerisciacquo prima che si avviino i processi di lavaggio Prelavaggio Prelavaggio prima dell'inizio del lavaggio principale Ammollo Blocco all'inizio del lavaggio principale, 30 °C, movimento ri-dotto +Ac...
it - Elenco programmi 292 Elenco Programmi base La durata del lavaggio è la durata nel lavaggio principale in cui minimo viene effettuato il lavaggio dopo il raggiungimento della temperatura impostata. Le durate per l'afflusso idri-co, il dosaggio, il riscaldamento, la centrifuga intermedia e altri ...
it - Elenco programmi 293 Programmi Cotone colorato Cotone colorato 60 °C (da fredda a 60 °C) Rapporto di carico/Quantità di carico Tipo di tessuto Capi normalmente sporchi in cotone, lino o fibre mi-ste, ad es. lenzuola e capi in spugna 1:9 PWM 514 – 14 kg PWM 520 – 20 kg Svolgimento del pro-gramma...
it - Elenco programmi 294 Programmi Lava/indossa Lava/indossa 40 °C (da fredda a 60 °C) Rapporto di carico/Quantità Tipo di tessuto Capi normalmente sporchi in fibra sintetica, fibre mi-ste 1.20 PWM 514 – 6,6 kg PWM 520 – 9 kg Svolgimento del pro-gramma Lavaggio principale fino a 60 °C, durata di la...
it - Elenco programmi 295 Programmi Delicati/Camicie/Lana Delicati 30 °C (da fredda a 60 °C) Rapporto di carico/Quantità Tipo di tessuto Fibre sintetiche, rayon 1.25 PWM 514 – 5,2 kg PWM 520 – 7,2 kg Svolgimento del pro-gramma Lavaggio principale fino a 60 °C, durata di lavaggio 12min.Ritmo di lavag...
it - Elenco programmi 296 Programma Risciacquo extra Risciacquo extra Rapporto di carico/Quantità Tipo di tessuto Capi che devono essere solamente risciacquati e cen-trifugati 1:9 PWM 514 – 14 kg PWM 520 – 20 kg Svolgimento del pro-gramma 1 ciclo di risciacquoCentrifuga finale Opzioni Stop carico, S...
it - Elenco programmi 297 Programma Pulizia macchina Pulizia macchina 70 °C (da 70 °C a 90 °C) Tipo di tessuto Senza carico Svolgimento del pro-gramma + Tasto Intenso: lavaggio principale aggiuntivo fino a 90 °C, durata di lavaggio 6 min.2 cicli di risciacquoScarico idrico Opzioni Ammollo, +Acqua,...
it - Elenco programmi 298 Elenco programmi - Hotel/Ristorante/Catering In questo settore ci sono molti capi con diversi tipi di sporco. Questi programmi si prestanoper lavare biancheria e asciugamani con sporco leggero, tovaglie sporche e biancheria dacucina molto sporca. Programma Lenzuola/asciugam...
it - Elenco programmi 299 Programma Coprimaterassi Coprimaterassi 60 °C (da fredda a 90 °C) Rapporto di carico/Quantità di carico Tipo di tessuto Coprimaterassi impermeabili in fibre sintetiche 1:13 PWM 514 – 10 kg PWM 520 – 13,8 kg Svolgimento del pro-gramma Lavaggio principale fino a 90 °C, durata...
it - Elenco programmi 300 Programma Biancheria da cucina Biancheria da cucina 90 °C (da fredda a 90 °C) Rapporto di carico/Quantità Tipo di tessuto Biancheria da cucina in cotone, lino o fibre miste 1.13 PWM 514 – 10 kg PWM 520 – 13,8 kg Svolgimento del pro-gramma PrerisciacquoLavaggio principale fi...
it - Elenco programmi 301 Elenco programmi Piumoni/Tende Programmi Tende Tende 40 °C (da fredda a 60 °C) Rapporto di carico/Quantità di carico Tipo di tessuto Fibre sintetiche, rayon 1:25 PWM 514 – 5,2 kg PWM 520 – 7,2 kg Svolgimento del pro-gramma Lavaggio principale fino a 60 °C, durata di lavaggi...
it - Elenco programmi 302 Programmi Piumoni Questi programmi sono adatti per lavare piumoni con imbottitura in piuma, imbottitura sin-tetica o in fibre naturali. Questi programmi di lavaggio devono essere usati esclusivamente per lavare capi e tes-suti che il produttore ha dichiarato lavabili in acq...
it - Elenco programmi 303 Quantità di carico piumoni Le quantità massime di carico sono elencate nella seguente tabella. I valori sono indicativi,perché dipendono anche dalle dimensioni e dallo spessore dei piumoni. Modello Quantità* PWM 514 3 cuscini o 1 cuscino + 1 piumone PWM 520 4 cuscini oppure...
it - Elenco programmi 304 In generale sul tema disinfezione Cosa si intende per “disinfezione” Soppressione e quindi riduzione del numero di agenti patogeni che trasmettono malattie in-fettive in modo da escludere possibilità di trasmissione e infezione. Disinfezione termica La disinfezione termica ...
it - Elenco programmi 305 Elenco VAH VAH = (Associazione tedesca di igiene applicata)(in precedenza: DGHM = Istituto tedesco di igiene e microbiologia) Questo elenco riporta i procedimenti ritenuti validi invece per la disinfezione di routine, a ti-tolo di profilassi per prevenire infezioni in ambit...
it - Elenco programmi 306 Elenco programmi Disinfezione Disinfezione termica e la Disinfezione termochimica sono programmi per la disinfezione dei capi.Vengono eseguite una disinfezione termica e/o una disinfezione termochimica. La disinfe-zione termochimica richiede l'utilizzo di detersivi adeguati...
it - Elenco programmi 307 Dis.termochi-mica 20 min. 40 °C Rapporto di carico/Quantità Tipo di tessuto Cotone, fibre miste, tende 1.10 PWM 514 – 13 kg PWM 520 – 18 kg Svolgimento del pro-gramma Disinfezione 40 °C*, Tempo di mantenimento 20 min.Ritmo di lavaggio "delicato"3 cicli di risciacquo...
it - Elenco programmi 308 Elenco programmi Imprese di pulizia Questi programmi sono adatti per lavare, disinfettare e impregnare (con differenti livelli diumidità) panni di pulizia in cotone o fibre miste, zerbini, feltri per lucidatrici e altre microfi-bre utilizzate dalle imprese di pulizia.I pann...
it - Elenco programmi 309 Programmi Mop Per evitare che lo sporco grossolano giunga in macchina, sbattere i mop prima di introdurlinel cesto. Mop, standard 60 °C (da fredda a 90 °C) Rapporto di carico/Quantità Tipo di tessuto Panni in cotone, viscosa, poliestere, microfibra 1:9 PWM 514 – 14 kg PWM...
it - Elenco programmi 310 Mop disinfez. termica 90 °C Rapporto di carico/Quantità Tipo di tessuto Panni in cotone, viscosa, poliestere, microfibra 1:9 PWM 514 – 14 kg PWM 520 – 20 kg Per il numero v. tabella "Quantità carico mop" Svolgimento del pro-gramma Centrifuga preliminareCiclo di prer...
it - Elenco programmi 312 Mop dis.ter. ch.20m.+rtu 60 °C Rapporto di carico/Quantità Tipo di tessuto Panni in cotone, viscosa, poliestere, microfibra 1.10 PWM 514 – 13 kg PWM 520 – 18 kg Svolgimento del pro-gramma Svolgimento programma come Mop, disinfezione ter-mochimica Disinfezione*,infine impost...
it - Elenco programmi 313 Il programma Mop rtu è adatto a impregnare in un secondo momento i mop puliti e asciut- ti. Durante questa operazione viene aggiunta una soluzione disinfettante.È necessario impostare il dosaggio localmente e verificare lo standard di disinfezione. La quantità di carico mop...
it - Elenco programmi 314 Programmi Tappetini/Dischi/Pads Tappetini 40 °C (da fredda a 60 °C) Rapporto di carico/Quantità Tipo di tessuto Zerbini 1.15 PWM 514 – 8,8 kg PWM 520 – 12 kg Svolgimento del pro-gramma PrerisciacquoLavaggio principale fino a 60 °C, durata di lavaggio8 min3 bagni di risciacq...
it - Elenco programmi 315 Programmi Panni Questi programmi sono adatti per lavare, disinfettare e impregnare (con differenti livelli diumidità) panni di pulizia in cotone o fibre miste utilizzati dalle imprese di pulizia. Panni, standard 60 °C (da fredda a 90 °C) Rapporto di carico/Quantità Tipo di ...
it - Elenco programmi 316 Panni disinf. termochimica 90 °C Rapporto di carico/Quantità Tipo di tessuto Panni in cotone, viscosa, poliestere, microfibra 1.18 PWM 514 – 7 kg PWM 520 – 10 kg Numero v. tabella "Quantità carico panni" Svolgimento del pro-gramma PrerisciacquoPrelavaggio fino a 30 ...
it - Elenco programmi 318 Panni rtu Rapporto di carico/Quantità Tipo di tessuto Panni in cotone, viscosa, poliestere, microfibra 1.18 PWM 514 – 7 kg PWM 520 – 10 kg Numero v. tabella "Quantità carico panni" Svolgimento del pro-gramma 1 ciclo di risciacquoinfine impostare l'umidità residua tr...
it - Elenco programmi 319 Elenco programmi Vigili del fuoco Questi programmi sono adatti al lavaggio e all'impermeabilizzazione di tute ignifughe deivigili del fuoco in Nomex, giacche e pantaloni, maschere respiratorie e tute protettive persostanze chimiche. Programmi Abbigliamento protettivo Abbigl...
it - Elenco programmi 320 Preparare Abbigl. protettivo per il lavaggio Non attaccare etichette agli indumenti da lavare. Rimuovere i moschettoni se possibile oppure infilarli in una tasca laterale e chiudere la ta-sca. Chiudere le chiusure in velcro oppure coprirle con nastro in velcro. Lava...
it - Elenco programmi 321 Programmi Maschere Maschere sono programmi per il lavaggio e la disinfezione di maschere respiratorie con elastico. Rovesciare gli elastici delle maschere, prima di caricarle in macchina, per proteggere le vi-siere. Inserire ogni maschera nell'apposito sacchetto protett...
it - Elenco programmi 322 CSA tute protettive è un programma per lavare le tute protettive dagli agenti chimici dei vigili del fuoco.Viene eseguita una disinfezione termochimica (60 °C/20 min) che richiede l'utilizzo di de-tersivi adeguati. CSA tute protettive 60 °C Rapporto di carico/Quantità Tipo ...
it - Elenco programmi 323 Elmetti * 60 °C (da fredda a 60 °C) Rapporto di carico/Quantità di carico Tipo di tessuto Elmetti dei vigili del fuoco PWM 514 – 4 elmetti PWM 520 – 5 elmetti Svolgimento del pro-gramma Prelavaggio fino a 40 °CLavaggio principale fino a 60 °C, durata di lavaggio16 minTre ...
it - Elenco programmi 324 Al termine del lavaggio, i cinturoni vengono asciugati all'aria aperta. I componenti in pellevengono follati a mano prima dell'asciugatura ed eventualmente trattati con un agentereingrassante adatto a mantenere l'elasticità della pelle. Abbigliamento di primo soccorso è un ...
it - Elenco programmi 326 Elenco programmi Capi outdoor Capi outdoor 40 °C (da fredda a 40 °C) Rapporto di carico/Quantità Tipo di tessuto Poliammide e tessuti a membrana 1.15 PWM 514 – 8,8 kg PWM 520 – 12 kg Svolgimento del pro-gramma Lavaggio principale fino a 40 °C, durata di lavaggio6 min.2 cicl...
it - Elenco programmi 327 Elenco programmi Sport Capi sport 40 °C (da fredda a 60 °C) Rapporto di carico/Quantità Tipo di tessuto Maglieria e pantaloni in fibre sintetiche o miste 1.20 PWM 514 – 6,6 kg PWM 520 – 9 kg Svolgimento del pro-gramma Lavaggio principale fino a 60 °C, durata di lavaggio6 mi...
it - Elenco programmi 328 Elenco programmi Abbigliamento da lavoro Speciale olio/grasso 60 °C (da fredda a 90 °C) Rapporto di carico/Quantità Tipo di tessuto Abbigliamento da lavoro sporco di olio o grassi, pannidi copertura o di pulizia in cotone o fibre miste 1.10 PWM 514 – 13 kg PWM 520 – 18 kg S...
it - Elenco programmi 330 Elenco programmi Self Service Cotone colorato 60 °C (da fredda a 60 °C) Rapporto di carico/Quantità Tipo di tessuto Capi normalmente sporchi in cotone, lino o fibre mi-ste, ad es. lenzuola e capi in spugna 1:9 PWM 514 – 14 kg PWM 520 – 20 kg Svolgimento del pro-gramma Lavag...
it - Elenco programmi 331 Elenco programmi Eco Cot. colorato Eco 40 °C (da fredda a 40 °C) Rapporto di carico/Quantità di carico Tipo di tessuto Capi leggermente sporchi in cotone, lino o fibre miste,ad es. lenzuola e capi in spugna 1:9 PWM 514 – 14 kg PWM 520 – 20 kg Svolgimento del pro-gramma Lava...
it - Elenco programmi 332 Lava/indossa Eco 30 °C (da fredda a 30 °C) Rapporto di carico/Quantità di carico Tipo di tessuto Capi leggermente sporchi in fibra sintetica, fibre miste 1:20 PWM 514 – 6,6 kg PWM 520 – 9 kg Svolgimento del pro-gramma Lavaggio principale fino a 30 °C, durata di lavaggio7 mi...
Manuale Miele PWM 514 Mop Star [EL DV DD]
Sommario
Il Vostro contributo alla tutela dell'ambiente 2 Smaltimento imballaggio L'imballaggio protegge la lavatrice durante il trasporto. I materiali uti-lizzati per l'imballaggio sono riciclabili, in quanto selezionati secondocriteri di rispetto dell’ambiente e di facilità di smaltimento. Restituire gli i...
Il Vostro contributo alla tutela dell'ambiente 3 Consumo di ac-qua ed energia - Sfruttare la massima capacità di carico del relativo programma di lavaggio.Se si sfrutta appieno la capacità di carico si razionalizzano i consu-mi di acqua/energia e di conseguenza anche i costi. Detersivo - Non dosare ...
Indice 4 Il Vostro contributo alla tutela dell'ambiente ................................................................ 2 Indicazioni per la sicurezza e avvertenze ..................................................................... 7 Uso corretto .....................................................
Indice 6 Comandi e display............................................................................................................. 56 Lingua ............................................................................................................................ 56Accesso+scelta lingua ........
Indicazioni per la sicurezza e avvertenze 7 Questa lavatrice è conforme alle vigenti norme di sicurezza. Un usoimproprio può comunque causare danni a persone e/o cose. Prima di mettere in funzione la macchina leggere attentamente que-ste istruzioni d'uso; contengono informazioni importanti su incass...
Indicazioni per la sicurezza e avvertenze 8 Uso corretto La lavatrice deve essere usata solo per lavare capi e tessuti che il produttore ha dichiarato lavabili in acqua sull'etichetta. Qualsiasi altrouso può rivelarsi pericoloso. La casa produttrice non risponde di dan-ni causati da un uso diverso...
Indicazioni per la sicurezza e avvertenze 9 Evitare i seguenti errori Non utilizzare mai per nessun motivo in lavatrice detersivi conte- nenti solventi (ad es. benzina solvente). Questi prodotti potrebberodanneggiare dei componenti della macchina e generare vapori tossi-ci. Pericolo di esplosione ...
Indicazioni per la sicurezza e avvertenze 10 Sicurezza tecnica Prima dell'installazione controllare che la macchina non presenti danni visibili esterni. Una lavatrice danneggiata non può essere instal-lata o messa in funzione. La sicurezza elettrica della lavatrice è garantita solo in presenza d...
Indicazioni per la sicurezza e avvertenze 11 Se la macchina viene utilizzata in un contesto professionale, rispet- tare le norme di sicurezza vigenti. Si consiglia di far controllare an-nualmente la macchina dall'assistenza tecnica Miele e di annotare gliesiti dei controlli in un libro di bordo de...
Indicazioni per la sicurezza e avvertenze 12 Impiego corretto Il carico massimo per la PWM 514 è di 14 kg e per la PWM 520 è di 20 kg di biancheria asciutta. Carichi parziali per singoli programmisono riportati al capitolo "Elenco programmi". Prima della messa in servizio rimuovere le ba...
Indicazioni per la sicurezza e avvertenze 13 Non utilizzare né conservare nelle vicinanze della macchina benzi- na, petrolio o altri materiali facilmente infiammabili. Non utilizzare ilcoperchio della macchina come superficie di appoggio. Pericolo di incendio e di esplosione. Non appoggiare né c...
Indicazioni per la sicurezza e avvertenze 14 Cloro e possibili danni ai componenti L'uso del cloro (candeggina) aumenta la probabilità di danneggiare alcuni componenti della macchina. L'impiego di prodotti contenenti cloro, come p.es. ipoclorito di so- dio e candeggianti al cloro in polvere, può...
Indicazioni per la sicurezza e avvertenze 15 Accessori Gli unici accessori che possono essere montati o utilizzati sono quelli espressamente autorizzati da Miele. Se si montano o utilizzanoaltri accessori, il diritto alla garanzia e a prestazioni in garanzia per vizie/o difetti del prodotto decade...
Descrizione macchina (con cassetto detersivi) 16 Versioni di macchine con cassetto detersivi (WEK) ⑪ ⑥ ⑦ ⑧ ⑨ ⑩ ⑫ ① ② ③ ④ ⑤ ⑧ ⑬ ⑮ ⑭ ⑯ ⑰ ⑱ a Display v. cap. "Funzione comandi" b Interruttore di spegnimento di emer-genza v. cap. "Funzioni comandi" c Maniglia sportello d Sportello di car...
Descrizione macchina (con cassetto detersivi) 17 Versioni di macchine senza cassetto detersivi (WEK) ① ② ③ ④ ⑤ ⑥ ⑦ ⑧ ⑨ ⑩⑪ ⑦ ⑫ ⑭ ⑬ ⑮ ⑯ ⑰ a Display v. cap. "Funzione comandi" b Interruttore di spegnimento di emer-genza v. cap. "Funzioni comandi" c Maniglia sportello d Sportello di cari...
Modalità di utilizzo 18 Pannello comandi a Tasto sensore lingua Per selezionare la lingua del ge-store.Al termine del programma vienenuovamente visualizzata la lin-gua del gestore. b Tasto sensore indietro Consente di ritornare al livelloprecedente nel menù. c Display touch d Tasto sensore Start...
Modalità di utilizzo 19 Menù principale Dopo aver acceso la lavatrice, sul display appare il menù principale. Dal menù principale si può accedere a tutti i sottomenù importanti. Toccando il tasto sensore si torna in qualsiasi momento al menù principale. I valori impostati precedentemente non vengo...
Modalità di utilizzo 21 Menù a tendina Nel menù a tendina è possibile visualizzare diverse informazioni, p.es.relative a un programma di lavaggio. 11:02 2:27 Cotonecolorato Stato Duratares. h Lavaggio Aggiungerebiancheria Se sul bordo superiore dello schermo, al centro del display, compareu...
Modalità di utilizzo 22 11:02 Cotonecolorato Lana Lava/indossa Guida Sono offerti max. 12 programmi preimpostati. I primi 3 programmi so-no direttamente selezionabili. Gli altri possono essere selezionati daun elenco . Questi programmi non possono essere modificati dal gestore.
Preparare la biancheria per il lavaggio 23 Svuotare le tasche Svuotare tutte le tasche. Danni dovuti a corpi estranei. Chiodi, monete, graffette ecc. possono danneggiare sia la macchi-na che i tessuti.Prima di fare il bucato, controllare che nella biancheria non ci sianooggetti estranei e rimuov...
Preparare la biancheria per il lavaggio 24 Caricare la lavatrice Accendere la lavatrice con il tasto . Aprire lo sportello tirando la maniglia. Introdurre nel cesto la biancheria distesa, senza pressarla. Capi didiversa grandezza rafforzano l'effetto di lavaggio e si distribuisconomeglio dur...
Selezionare un programma 25 Accendere la lavatrice Premere il tasto . Selezionare un programma 11:02 Programmi Preferiti Gestore Guida Le possibilità per selezionare un programma sono diverse. È possibile selezionare un programma nel menù Programmi . Toccare il tasto sensore Programmi ...
Selezionare le impostazioni del programma 26 Selezionare carico Per consentire un dosaggio esterno in base al carico, per alcuni pro-grammi è possibile indicare il carico. Toccare il tasto sensore Peso . Immettere un valore valido per la quantità di carico. A display compare il menù Elenco . Sce...
Lavaggio con cassetto detersivi 27 Aggiunta di detersivo tramite il cassetto detersivi Per i programmi standard, versare il detersivo in polvere per il lavag-gio principale nella vaschetta e se lo si desidera, il detersivo per il prelavaggio nella vaschetta , l'ammorbidente nella vaschetta ant...
Lavaggio con cassetto detersivi 28 Candeggiante Candeggiare solo capi contrassegnati con il simbolo Δ . L'aggiunta di candeggiante liquido può avvenire solo nella vaschettapredisposta. Solo in questo modo si garantisce che il prodotto vengaintrodotto correttamente in macchina con il 2° ciclo di risc...
Avviare un programma - fine programma 30 Avviare il programma Quando si avvia un programma, lampeggia il tasto sensore Start/ Stop . Toccare il tasto sensore Start/Stop . Si blocca lo sportello (simbolo ) e si avvia il programma di lavaggio. Se è stato selezionato il posticipo avvio, questo scor...
Timer 31 Con il timer è possibile selezionare il tempo fino all'avvio del program-ma, l'ora di avvio programma oppure l'ora di fine programma. Impostare il timer Toccare il tasto sensore Timer . Selezionare l'opzione Fine alle , Avvio tra o Avvio alle . Impostare le ore e i minuti e conferma...
Guida guasti 32 Interruzione di corrente durante il procedimento di la-vaggio Spegnere la macchina. Spegnere l'interruttore principale dell'impianto (presente in loco). Chiudere i rubinetti (predisposti dal committente) dell'acqua o delvapore. Per prelevare la biancheria bisogna prima aprire m...
Guida guasti 33 Ruotare l'elemento di sblocco a vite esagonale cava con una chiaveTorx T 40 dando due rotazioni piene in senso antiorario (a sini- stra) . Suggerimento: Se si preme contro lo sportello, la rotazione dello sblocco d'emergenza ne viene facilitata. L'elemento di sblocco si trova contr...
Guida guasti 34 Assistenza tecnica In caso di guasti e anomalie rivolgersi all'assistenza tecnica Miele. Comunicare modello, n. di serie (SN) e n. mat. (Mat.-Nr.) Rilevare que-ste informazioni dalla targhetta dati. La targhetta dati è visibile a spor-tello di carico aperto in alto oppure sul lato po...
Cosa fare se... 35 Un aiuto in caso di anomalie La maggior parte dei guasti e delle anomalie che si verificano nell'uso quotidiano dellamacchina può essere eliminata personalmente. In molti casi è possibile risparmiare tempoe costi senza doversi necessariamente rivolgere all'assistenza tecnica. Le s...
Cosa fare se... 36 Risultato di lavaggio non soddisfacente Problema Causa e rimedio Se si usa un detersivo li-quido, la biancheria non ri-sulta pulita. I detersivi liquidi non contengono agenti sbiancanti. Nonriescono quindi a eliminare macchie di frutta, caffè o tè. Usare un detersivo in polvere ...
Cosa fare se... 37 Problemi generali con la lavatrice Problema Causa e rimedio Durante la centrifugazionela macchina si sposta. La macchina non è in bolla e i piedini non sono stati strettibene. Posizionare meglio la macchina e stringere il controdadodei piedini. Nel cassetto detersivi ri-mangono ...
Cosa fare se... 38 Possibili cause di un'elevata formazione di schiuma Problema Causa e rimedio Eccessiva formazione dischiuma durante il ciclo dilavaggio. Si utilizza un tipo di detersivo non adatto. Utilizzare solamente detersivo adatto alle lavatrici profes-sionali. I detersivi destinati all'us...
Cosa fare se... 39 Apertura/distensione di grossi capi di biancheria Problema Causa e rimedio Apertura/distensione digrossi capi di biancheriadurante la centrifuga Può verificarsi che grossi capi di biancheria si aprano/di-stendano durante la centrifuga. Si può evitare questo fenomeno con una ripr...
Pulizia e manutenzione 40 Eseguire le operazioni di pulizia e manutenzione dopo ogni uso del-la macchina. Per pulire la macchina non utilizzare pulitori a pressione né gettid'acqua. Pulire l'involucro, il pannello comandi e le parti in plastica con un panno morbido inumidito e un detergente deli...
Installazione 43 Posizionamento lavatrice La lavatrice deve essere installata solo dall'assistenza tecnica Mieleo una società autorizzata da Miele. Osservare le indicazioni riporta-te sullo schema di installazione. Questa lavatrice può essere utilizzata solo per biancheria che nonsia impregnata di s...
Installazione 44 Per facilitare la manutenzione Per facilitare successivi interventi di manutenzione da parte dell'assi-stenza tecnica, rispettare le misure/distanze minime indicate (compre-sa la distanza dal muro con accesso). Osservare assolutamente le misure minime di sicurezza e la distan-za d...
Installazione 45 Barre (sicurezza) per il trasporto Rimuovere le sicurezze di trasporto Le due barre di trasporto anteriori sono fissate rispettivamente con 3viti esagonali. La barra di trasporto posteriore è fissata con 4 viti esa-gonali. Le sicurezze di trasporto devono essere rimosse solo sul luo...
Installazione 46 Sul bordo inferiore della parete posteriore svitare le viti e togliere laparete posteriore. Per smontare le sicurezze di trasporto, svitare le viti esagonali. Conservare le barre di trasporto. Prima di trasportare eventualmen-te la macchina devono essere rimontate. Allacciamento...
Installazione 47 Indicazioni per la Svizzera Ai sensi della norma SIA 385.351 / EN 1717 e in base alle raccoman-dazioni della SSIGA montare un impeditore di riflusso. Per un impedi-tore di riflusso conforme alle norme rivolgersi a un idraulico specializ-zato in sanitari. Disposizioni per l'Austria P...
Installazione 49 Scarico idrico Scarico idrico AV sulla macchina DN 70, in loco manicotto DN 70. Portata di flusso breve 200 l/min.In caso di elevata pendenza di scarico è necessario predisporreun'aerazione del tubo affinché nel sistema di scarico della lavatricenon si formi del vuoto.. Deviazione ...
Opzioni 50 I programmi di lavaggio possono essere integrati con delle opzioni. Non si possono selezionare tutte le opzioni per ciascun programma.Un'opzione non consentita per un programma di lavaggio non vieneproposta. Selezionare opzioni Toccare il tasto sensore Opzioni . Scegliere una o più op...
Opzioni 51 Stop carico L'acqua viene scaricata prima dell'ultimo ciclo di risciacquo, il pro-gramma si ferma. Prodotti per trattamenti aggiuntivi come p.es. l'ami-do, possono essere aggiunti tramite il cassetto detersivi. Il programma prosegue con il tasto sensore Start/Stop .
Aspetti particolari nello svolgimento del programma 52 Centrifuga Velocità di centri-fugazione (centri-fuga finale) Nella selezione del programma si sceglie sempre il numero di giri otti-male in centrifuga per il programma di lavaggio visualizzato a display. La velocità finale di centrifuga può semp...
Modificare il programma 53 Cambiare programma Cambiare pro-gramma di lavag-gio Per far partire un altro programma è necessario prima interrompere eterminare quello in corso. Interrompere il programma Un programma può essere interrotto e terminato in qualsiasi momen-to. Toccare il tasto sensore Sta...
Modificare il programma 54 Aggiungere o prelevare biancheria Nei primi minuti dopo aver avviato il programma è possibile aggiun-gere oppure prelevare biancheria. 11:02 0:49 Cotonecolorato Stato Duratares. h Lavaggio Aggiungere biancheria Toccare il tasto sensore Aggiungere biancheria . Se a ...
Livello gestore 55 Aprire livello gestore Accendere la lavatrice. 11:02 Programmi Preferiti Gestore Guida Toccare il tasto sensore Gestore . A display compare il menù Livello gestore . Accesso tramite codice Il livello gestore deve essere aperto con un codice. Il codice è 000 (impostazio...
Livello gestore 56 Comandi e display Lingua Le indicazioni a display possono essere impostate in diverse lingue.Entrando nel sottomenù Lingua è possibile cambiare la lingua gesto-re impostata. Per un programma in corso è possibile modificare la lingua del gesto-re tramite il tasto sensore . Access...
Livello gestore 57 Orologio Dopo aver selezionato il formato dell'ora, impostare l'ora. Formato dell'ora - 24 h - 12 h - Nessuno impostare - È possibile impostare l'ora. Data Dopo aver scelto il formato della data è possibile impostare la data. Formato data - GG.MM.AAAA - AAAA.MM.GG - MM.GG.AAAA Dat...
Livello gestore 58 - Spegnimento dopo 15 minuti (impostazione di serie) - Spegnimento dopo 20 minuti - Spegnimento dopo 30 minuti Posticipo avvio L'indicazione del posticipo dell'avvio (timer) può essere attivata o di-sattivata. Impostazione di serie: on Memory Dopo l'avvio del programma la lavatric...
Livello gestore 59 Selezione programmi Comandi È possibile impostare i comandi della lavatrice come "Versione la-vanderia". L'uso semplificato è possibile grazie a una selezione rapi-da. Le persone che utilizzano la macchina non possono modificare iprogrammi preimpostati. Suggerimento: Esegu...
Livello gestore 61 Tecnica di procedimento Fase antipiega La fase antipiega serve a ridurre la formazione di pieghe nella bian-cheria al termine del programma. Al termine del programma il cestel-lo continua a ruotare per altri 30 minuti. È possibile aprire la lavatrice in qualsiasi momento. Impostaz...
Livello gestore 62 Afflusso acqua Prelavaggio Può essere selezionato il tipo di acqua per il prelavaggio. - fredda Per il prelavaggio affluisce solo acqua fredda. - calda Per il prelavaggio affluisce anche acqua calda.L'afflusso di acquacalda è consentito solo con una temperatura di lavaggio superio...
Dati tecnici 65 Dichiarazione di conformità UE Miele dichiara che questa lavatrice è conforme alla direttiva 2014/53/UE.Il testo completo della dichiarazione di conformità UE è disponibile ai seguenti indirizzi in-ternet: - Auf www.miele.it/it/professional/index.htm sotto "Prodotti", "Do...
Tutela della privacy WLAN 66 Tutela della privacy e sicurezza dei dati Non appena si attiva la funzione di connessione in rete e si collegal'apparecchiatura a internet, i seguenti dati vengono inviati al Cloud diMiele: - numero di fabbricazione dell'apparecchio - modello apparecchio e dotazione tecn...
Manuale di installazione Miele PWM 514 Mop Star [EL DV DD]
Sommario
it - Istruzioni di installazione *INSTALLATION* 109 Spiegazione delle istruzioni di sicurezza e avvertenze sullamacchina Leggere le istruzioni d'uso Leggere le istruzioni p.es. le istruzioni di installazione Attenzione, superfici molto calde Attenzione, tensione fino a 1000 Volt Messa a terra Colleg...
it - Istruzioni di installazione *INSTALLATION* 110 Posizionamento Trasportare la lavatrice con un carrello elevatore sul luogo di posizio-namento e rimuovere l'imballaggio. La lavatrice deve essere posizionata su una superficie piana, orizzon-tale e stabile in grado di sorreggere i pesi indicati (v...
it - Istruzioni di installazione *INSTALLATION* 111 Per garantire un funzionamento ineccepibile ed efficace in terminienergetici, la lavatrice deve essere posizionata in modo uniforme eorizzontale su tutti e quattro i piedini. In caso contrario aumentano iconsumi di acqua ed energia elettrica e la l...
it - Istruzioni di installazione *INSTALLATION* 112 La commutazione è da eseguirsi esclusivamente a cura dell'assi- stenza tecnica Miele o da tecnici autorizzati da Miele. Per farlo osser-vare le indicazioni di inversione di cablaggio indicate sullo schemaelettrico. La lavatrice può essere collega...
it - Istruzioni di installazione *INSTALLATION* 113 I raccordi devono poter sopportare la pressione dell'acqua. Aprire lentamente i rubinetti per verificare che gli allacciamenti sia-no ermetici. Eventualmente correggere la sede della guarnizione e ilraccordo. Indicazioni per laSvizzera Ai sensi d...
it - Istruzioni di installazione *INSTALLATION* 114 Qualora non sia disponibile un condotto dell'acqua calda, allacciare iltubo di afflusso dell'acqua calda al rifornimento dell'acqua fredda. Inquesto caso serve un ulteriore pezzo a Y. Il fabbisogno di acqua freddadella lavatrice aumenta del quantit...
it - Istruzioni di installazione *INSTALLATION* 115 Allacciamento idri-co per versionicon riscaldamentoesterno (EH) La macchina deve essere allacciata all'acqua fredda e calda. Si racco-manda una temperatura dell'acqua calda di almeno 80 °C. Non è pos-sibile utilizzare programmi di disinfezione a ca...
it - Istruzioni di installazione *INSTALLATION* 117 Opzioni/Accessori su richiesta Gli unici accessori che possono essere montati o utilizzati sonoquelli espressamente autorizzati da Miele.Se si montano o utilizzano altri accessori, il diritto alla garanzia e aprestazioni in garanzia per vizi e/o di...
it - Istruzioni di installazione *INSTALLATION* 118 Interfac-cia WLAN/LAN La lavatrice è dotata di un'interfaccia WLAN/LAN per lo scambio deidati. L'interfaccia dati fornita per l'allacciamento LAN è conforme a SELV(bassa tensione) secondo EN 60950. Il collegamento LAN avvienecon una spina RJ45 in c...
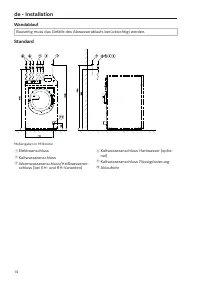
it - Installazione 121 Base Misure in millimetri a Allacciamento elettrico b Allacciamento acqua fredda c Allacciamento acqua calda/allacciamentoacqua molto calda (con varianti EH e RH) d Allacciamento acqua fredda e dura (opzio-nale) e Allacciamento acqua fredda per dosaggioliquido l Tubo di scaric...
it - Dati tecnici 126 Varianti di tensione e dati elettrici 3N AC 400 V EL DV Tensione di allacciamento 3N AC 400 V Frequenza 50/60 Hz Protezione necessaria (a cura del committente) Caratteristica di scatto interruttore LS 16 A Tipo B Potenza assorbita 9,6 kW Sezione minima cavo di alimentazione 2,5...
it - Dati tecnici 127 Allacciamento idrico Allacciamento acqua fredda Pressione di flusso necessaria 100 - 1000 kPa (1 - 10 bar) Portata volumetrica massima 31,5 l/min Raccordo necessario (filettatura esterna, predisposta dal committente DIN 44991, guarnizionepiatta) 3 x 3/4" Lunghezza del tubo ...
it - Dati tecnici 128 Misure di posizionamento Larghezza involucro (senza pezzi aggiunti) 795 mm Altezza involucro (senza pezzi aggiunti) 1347 mm Profondità involucro (senza pezzi aggiunti) 895 mm Larghezza macchina fuori tutto 799 mm Altezza macchina fuori tutto 1350 mm Profondità macchina fuori tu...
Miele Istruzioni
-
Miele APWM 063
Manuale di installazione
-
Miele APWM 020
Manuale d'uso
-
Miele APWM 020
Manuale di installazione
-
Miele SC
Manuale di installazione
-
Miele PR
Manuale di installazione
-
Miele FP 900
Manuale di installazione
-
Miele RP 900
Manuale di installazione
-
Miele APWM 019
Manuale d'uso
-
Miele APWM 019
Manuale di installazione
-
Miele PR 900
Manuale di installazione
-
Miele A 830/1
Manuale d'uso
-
Miele TT 86
Manuale d'uso
-
Miele RP 1150
Manuale di installazione
-
Miele APCL 001
Manuale di installazione
-
Miele E 473/2
Manuale d'uso
-
Miele FFK 01
Manuale di installazione
-
Miele FFK 01
Manuale
-
Miele DS 5
Manuale di installazione
-
Miele DS 10
Manuale di installazione
-
Miele DOS K 85 flex
Manuale di installazione