Miele PDR 522 ROP [G] - Manuale di installazione

Miele PDR 522 ROP [G]

Miele PDR 522 ROP [G] – Manuale di installazione, leggi gratuitamente online in formato PDF. Speriamo che questo ti aiuti a risolvere eventuali dubbi. Se hai ulteriori domande, contattaci tramite il modulo di contatto.

1 Pagina 1
2 Pagina 2
3 Pagina 3
4 Pagina 4
5 Pagina 5
6 Pagina 6
7 Pagina 7
8 Pagina 8
9 Pagina 9
10 Pagina 10
11 Pagina 11
12 Pagina 12
13 Pagina 13
14 Pagina 14
15 Pagina 15
16 Pagina 16
17 Pagina 17
18 Pagina 18
19 Pagina 19
20 Pagina 20
21 Pagina 21
22 Pagina 22
23 Pagina 23
24 Pagina 24
25 Pagina 25
26 Pagina 26
27 Pagina 27
28 Pagina 28
29 Pagina 29
30 Pagina 30
31 Pagina 31
32 Pagina 32
33 Pagina 33
34 Pagina 34
35 Pagina 35
36 Pagina 36
37 Pagina 37
38 Pagina 38
39 Pagina 39
40 Pagina 40
41 Pagina 41
42 Pagina 42
43 Pagina 43
44 Pagina 44
45 Pagina 45
46 Pagina 46
47 Pagina 47
48 Pagina 48
49 Pagina 49
50 Pagina 50
51 Pagina 51
52 Pagina 52
Pagina: / 52

Indice:

  • Pagina 35 – it - Istruzioni di installazione; Requisiti per l'installazione; Installare la macchina secondo le norme vigenti.; Allacciamento elettrico; lacciata alla rete elettrica pubblica.
  • Pagina 36 – Allacciamento al gas (solo per versioni con riscaldamento a gas)
  • Pagina 38 – Installazione; Allacciamento evacuazione aria; Afflusso aria
  • Pagina 39 – Foro/punto di fissaggio
  • Pagina 40 – Varianti di tensione/dati elettrici; Allacciamento gas
  • Pagina 41 – Fissaggio senza base; Fissaggio su base di cemento
  • Pagina 42 – Base in cemento (predisposta dal committente)
Caricamento dell'istruzione

PDR 922/522 G
Gasbeheizt

de

Installationsplan Gewerbliche Trockner

en

Installation plan Commercial dryer

fr

Schéma d’implantation Sèche-linge professionnels

ru

Монтажный план Профессиональные сушильные машины

it

Pianta d'installazione Essiccatoio industriale

es

Plano de instalación Secadoras industriales

M.-Nr. 11 727 090

"Caricamento dell'istruzione" significa che è necessario attendere finché il file non è caricato e pronto per la lettura online. Alcune istruzioni sono molto grandi e il tempo di caricamento dipende dalla velocità della tua connessione a Internet.

Altre istruzioni per Miele PDR 522 ROP [G]

Sommario

Pagina 35 - it - Istruzioni di installazione; Requisiti per l'installazione; Installare la macchina secondo le norme vigenti.; Allacciamento elettrico; lacciata alla rete elettrica pubblica.

it - Istruzioni di installazione 35 Requisiti per l'installazione L'essiccatoio può essere installato e messo in servizio per la prima volta solo dall'assi-stenza tecnica Miele autorizzata o da personale qualificato.  Installare la macchina secondo le norme vigenti.  Utilizzare l'essiccatoio solo ...

Pagina 36 - Allacciamento al gas (solo per versioni con riscaldamento a gas)

it - Istruzioni di installazione 36 Allacciamento al gas (solo per versioni con riscaldamento a gas) L'allacciamento gas deve essere predisposto solo da un installatore autorizzato nel rispettodelle normative vigenti nel paese (v. istruzioni di installazione). A causa di una portata ridotta non è co...

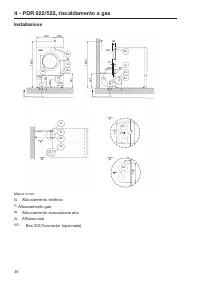
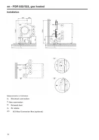
Pagina 38 - Installazione; Allacciamento evacuazione aria; Afflusso aria

it - PDR 922/522, riscaldamento a gas 38 Installazione 620 280 90 G 501 305 1600 150 305 1600 ~ 50 2 x 150 128 200 EL AL ZL ZL EL AL 501 G G ZL EL AL AL ZL 161 160 "Z" "Y" "Y" "Z" XCI 96 31 ~350 28 128 Misure in mm EL Allacciamento elettrico G Allacciamento gas AL All...

Altri modelli di Miele