Miele PDR 944 [SI] - Manuale di installazione

Miele PDR 944 [SI]

Miele PDR 944 [SI] – Manuale di installazione, leggi gratuitamente online in formato PDF. Speriamo che questo ti aiuti a risolvere eventuali dubbi. Se hai ulteriori domande, contattaci tramite il modulo di contatto.

1 Pagina 1
2 Pagina 2
3 Pagina 3
4 Pagina 4
5 Pagina 5
6 Pagina 6
7 Pagina 7
8 Pagina 8
9 Pagina 9
10 Pagina 10
11 Pagina 11
12 Pagina 12
13 Pagina 13
14 Pagina 14
15 Pagina 15
16 Pagina 16
17 Pagina 17
18 Pagina 18
19 Pagina 19
20 Pagina 20
21 Pagina 21
22 Pagina 22
23 Pagina 23
24 Pagina 24
25 Pagina 25
26 Pagina 26
27 Pagina 27
28 Pagina 28
29 Pagina 29
30 Pagina 30
31 Pagina 31
32 Pagina 32
33 Pagina 33
34 Pagina 34
35 Pagina 35
36 Pagina 36
37 Pagina 37
38 Pagina 38
39 Pagina 39
40 Pagina 40
41 Pagina 41
42 Pagina 42
43 Pagina 43
44 Pagina 44
45 Pagina 45
46 Pagina 46
47 Pagina 47
48 Pagina 48
Pagina: / 48

Indice:

  • Pagina 31 – it - Istruzioni di installazione; Requisiti per l'installazione; Danni a persone e cose a causa di un posizionamento non cor-; Allacciamento elettrico; se la macchina è allacciata alla rete elettrica pubblica.
  • Pagina 32 – Si consiglia di allacciare preferibilmente l'essiccatoio; tipo B; Allacciamento vapore; Gli unici accessori che possono essere montati o utilizzati sono
  • Pagina 34 – Installazione; Allacciamento evacuazione aria; Afflusso aria
  • Pagina 35 – Foro/punto di fissaggio
  • Pagina 36 – Possibili varianti di tensione
  • Pagina 37 – Fissaggio senza base; Fissaggio su base di cemento
  • Pagina 38 – Base in cemento (predisposta dal committente)
Caricamento dell'istruzione

PDR 944/544 SI
Dampfbeheizt

de

Installationsplan Gewerbliche Trockner

en

Installation plan Commercial tumble dryers

fr

Schéma d’implantation Sèche-linge professionnels

it

Pianta d'installazione Essiccatoio industriale

es

Plano de instalación Secadoras industriales

M.-Nr. 11 727 130

"Caricamento dell'istruzione" significa che è necessario attendere finché il file non è caricato e pronto per la lettura online. Alcune istruzioni sono molto grandi e il tempo di caricamento dipende dalla velocità della tua connessione a Internet.

Altre istruzioni per Miele PDR 944 [SI]

Sommario

Pagina 31 - it - Istruzioni di installazione; Requisiti per l'installazione; Danni a persone e cose a causa di un posizionamento non cor-; Allacciamento elettrico; se la macchina è allacciata alla rete elettrica pubblica.

it - Istruzioni di installazione 31 Requisiti per l'installazione  Danni a persone e cose a causa di un posizionamento non cor- retto.Il posizionamento non corretto dell'essiccatoio può causare danni apersone o cose.L'essiccatoio può essere installato e messo in servizio per la primavolta solo dall...

Pagina 32 - Si consiglia di allacciare preferibilmente l'essiccatoio; tipo B; Allacciamento vapore; Gli unici accessori che possono essere montati o utilizzati sono

it - Istruzioni di installazione 32 Valgono come dispositivi di separazione gli interruttori con un'aper-tura di contatto superiore ai 3 mm, quali interruttori LS, valvole e te-leruttori (IEC/EN 60947). L'interruttore onnipolare (inclusa la presa a spina) deve essere assicu-rato contro l'accensione ...

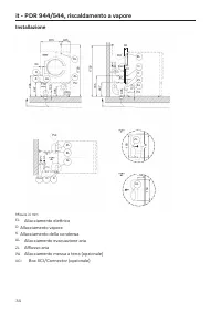
Pagina 34 - Installazione; Allacciamento evacuazione aria; Afflusso aria

it - PDR 944/544, riscaldamento a vapore 34 Installazione 875 325 54 D 705 305 1700 150 305 1700 ~ 50 2 x 179 125 200 EL AL ZL ZL EL AL 447 D D ZL EL AL AL ZL 161 160 "Z" "Y" "Y" "Z" XCI 96 31 67 125 K 447 PA 705 K PA DAV DAV K PA Misure in mm EL Allacciamento elettri...

Altri modelli di Miele